Oil Pressure Warm Engine . the oil pressure can be high because of a cold engine, using the wrong oil grade or due to poor oil quality. every engine and vehicle has its own specific ideal operating range when it comes to oil pressure, but it’s usually somewhere between 25 and 65 psi when the oil has been warmed up. fluctuations in oil pressure readings can be caused by engine speed, temperature, and oil viscosity. This is because the oil pressure is always lowest at idle, and it gets even lower. in most cases, low oil pressure will only show at idle when the engine oil is warm. As far as mechanical problems, it could be a.
from www.thedieselstop.com
fluctuations in oil pressure readings can be caused by engine speed, temperature, and oil viscosity. every engine and vehicle has its own specific ideal operating range when it comes to oil pressure, but it’s usually somewhere between 25 and 65 psi when the oil has been warmed up. This is because the oil pressure is always lowest at idle, and it gets even lower. in most cases, low oil pressure will only show at idle when the engine oil is warm. As far as mechanical problems, it could be a. the oil pressure can be high because of a cold engine, using the wrong oil grade or due to poor oil quality.
low oil pressure after warm up Diesel Forum
Oil Pressure Warm Engine fluctuations in oil pressure readings can be caused by engine speed, temperature, and oil viscosity. As far as mechanical problems, it could be a. in most cases, low oil pressure will only show at idle when the engine oil is warm. This is because the oil pressure is always lowest at idle, and it gets even lower. fluctuations in oil pressure readings can be caused by engine speed, temperature, and oil viscosity. every engine and vehicle has its own specific ideal operating range when it comes to oil pressure, but it’s usually somewhere between 25 and 65 psi when the oil has been warmed up. the oil pressure can be high because of a cold engine, using the wrong oil grade or due to poor oil quality.
From www.youtube.com
Hummer h2 oil pressure warm engine YouTube Oil Pressure Warm Engine fluctuations in oil pressure readings can be caused by engine speed, temperature, and oil viscosity. every engine and vehicle has its own specific ideal operating range when it comes to oil pressure, but it’s usually somewhere between 25 and 65 psi when the oil has been warmed up. the oil pressure can be high because of a. Oil Pressure Warm Engine.
From www.sbmar.com
Understanding Cummins Marine Diesel Engine Oil Pressure Specifications Oil Pressure Warm Engine fluctuations in oil pressure readings can be caused by engine speed, temperature, and oil viscosity. the oil pressure can be high because of a cold engine, using the wrong oil grade or due to poor oil quality. As far as mechanical problems, it could be a. This is because the oil pressure is always lowest at idle, and. Oil Pressure Warm Engine.
From fixmachineinterlink.z14.web.core.windows.net
Turbine Engine Oil Oil Pressure Warm Engine fluctuations in oil pressure readings can be caused by engine speed, temperature, and oil viscosity. every engine and vehicle has its own specific ideal operating range when it comes to oil pressure, but it’s usually somewhere between 25 and 65 psi when the oil has been warmed up. This is because the oil pressure is always lowest at. Oil Pressure Warm Engine.
From learntoflyblog.com
Aircraft Systems Oil Systems Learn to Fly Blog ASA (Aviation Oil Pressure Warm Engine As far as mechanical problems, it could be a. every engine and vehicle has its own specific ideal operating range when it comes to oil pressure, but it’s usually somewhere between 25 and 65 psi when the oil has been warmed up. in most cases, low oil pressure will only show at idle when the engine oil is. Oil Pressure Warm Engine.
From www.youtube.com
Saab 900 oil pressure warm engine YouTube Oil Pressure Warm Engine in most cases, low oil pressure will only show at idle when the engine oil is warm. This is because the oil pressure is always lowest at idle, and it gets even lower. every engine and vehicle has its own specific ideal operating range when it comes to oil pressure, but it’s usually somewhere between 25 and 65. Oil Pressure Warm Engine.
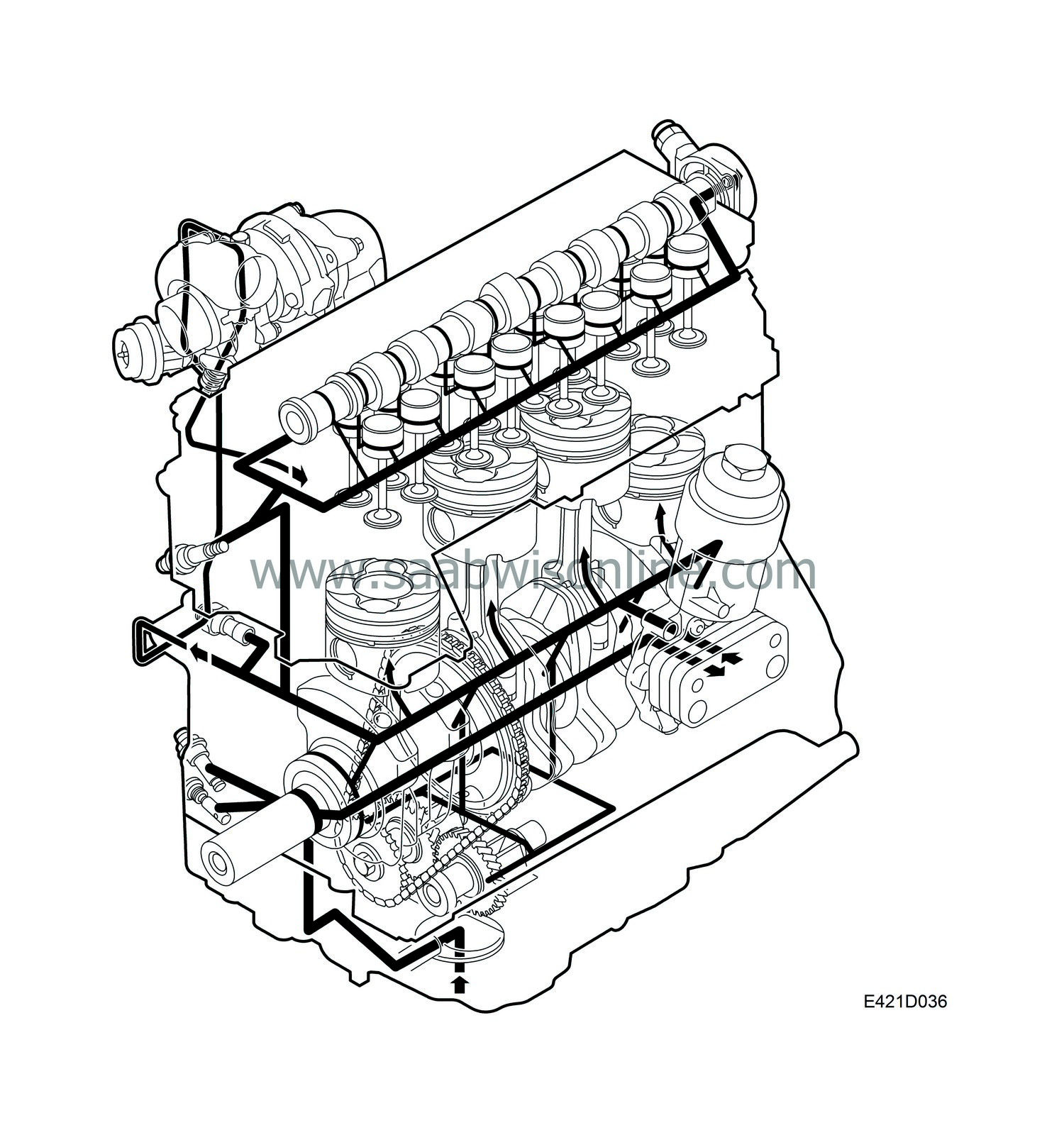
From saabwisonline.com
SAAB Information System WIS Online Oil Pressure Warm Engine the oil pressure can be high because of a cold engine, using the wrong oil grade or due to poor oil quality. This is because the oil pressure is always lowest at idle, and it gets even lower. in most cases, low oil pressure will only show at idle when the engine oil is warm. fluctuations in. Oil Pressure Warm Engine.
From www.youtube.com
dry sump oil pressure warm YouTube Oil Pressure Warm Engine in most cases, low oil pressure will only show at idle when the engine oil is warm. This is because the oil pressure is always lowest at idle, and it gets even lower. the oil pressure can be high because of a cold engine, using the wrong oil grade or due to poor oil quality. As far as. Oil Pressure Warm Engine.
From www.youtube.com
Testing engine pressures Oil Pressure, Cylinder Compression YouTube Oil Pressure Warm Engine This is because the oil pressure is always lowest at idle, and it gets even lower. in most cases, low oil pressure will only show at idle when the engine oil is warm. As far as mechanical problems, it could be a. every engine and vehicle has its own specific ideal operating range when it comes to oil. Oil Pressure Warm Engine.
From www.turbochaos.com
Does Engine Oil Expand When Hot? A Complete Breakdown Oil Pressure Warm Engine As far as mechanical problems, it could be a. in most cases, low oil pressure will only show at idle when the engine oil is warm. This is because the oil pressure is always lowest at idle, and it gets even lower. the oil pressure can be high because of a cold engine, using the wrong oil grade. Oil Pressure Warm Engine.
From www.thedieselstop.com
low oil pressure after warm up Diesel Forum Oil Pressure Warm Engine fluctuations in oil pressure readings can be caused by engine speed, temperature, and oil viscosity. As far as mechanical problems, it could be a. every engine and vehicle has its own specific ideal operating range when it comes to oil pressure, but it’s usually somewhere between 25 and 65 psi when the oil has been warmed up. . Oil Pressure Warm Engine.
From www.britannica.com
Automobile Cooling, Radiator, Engine Britannica Oil Pressure Warm Engine fluctuations in oil pressure readings can be caused by engine speed, temperature, and oil viscosity. every engine and vehicle has its own specific ideal operating range when it comes to oil pressure, but it’s usually somewhere between 25 and 65 psi when the oil has been warmed up. As far as mechanical problems, it could be a. . Oil Pressure Warm Engine.
From www.coloradofans.com
What is typical oil pressure? Chevy Colorado & GMC Canyon Oil Pressure Warm Engine fluctuations in oil pressure readings can be caused by engine speed, temperature, and oil viscosity. As far as mechanical problems, it could be a. in most cases, low oil pressure will only show at idle when the engine oil is warm. This is because the oil pressure is always lowest at idle, and it gets even lower. . Oil Pressure Warm Engine.
From workshoprepairvetsugax.z21.web.core.windows.net
Engine Oil Temperature Range Oil Pressure Warm Engine every engine and vehicle has its own specific ideal operating range when it comes to oil pressure, but it’s usually somewhere between 25 and 65 psi when the oil has been warmed up. fluctuations in oil pressure readings can be caused by engine speed, temperature, and oil viscosity. As far as mechanical problems, it could be a. . Oil Pressure Warm Engine.
From smokerestaurant.com
How Long Does It Take For Oil To Cool Down? Update New Oil Pressure Warm Engine As far as mechanical problems, it could be a. This is because the oil pressure is always lowest at idle, and it gets even lower. every engine and vehicle has its own specific ideal operating range when it comes to oil pressure, but it’s usually somewhere between 25 and 65 psi when the oil has been warmed up. . Oil Pressure Warm Engine.
From www.researchgate.net
Engine oil pressure map for different temperatures and engine speeds Oil Pressure Warm Engine the oil pressure can be high because of a cold engine, using the wrong oil grade or due to poor oil quality. This is because the oil pressure is always lowest at idle, and it gets even lower. in most cases, low oil pressure will only show at idle when the engine oil is warm. As far as. Oil Pressure Warm Engine.
From www.youtube.com
1951 Riley RMD Oil Pressure Warm Flat YouTube Oil Pressure Warm Engine This is because the oil pressure is always lowest at idle, and it gets even lower. the oil pressure can be high because of a cold engine, using the wrong oil grade or due to poor oil quality. fluctuations in oil pressure readings can be caused by engine speed, temperature, and oil viscosity. in most cases, low. Oil Pressure Warm Engine.
From chinaaaahsjifixmachine.z13.web.core.windows.net
Diesel Engine Oil Pressure At Idle Oil Pressure Warm Engine in most cases, low oil pressure will only show at idle when the engine oil is warm. As far as mechanical problems, it could be a. This is because the oil pressure is always lowest at idle, and it gets even lower. fluctuations in oil pressure readings can be caused by engine speed, temperature, and oil viscosity. . Oil Pressure Warm Engine.
From www.kitplanes.com
Oil Pressure Problems Oil Pressure Warm Engine the oil pressure can be high because of a cold engine, using the wrong oil grade or due to poor oil quality. This is because the oil pressure is always lowest at idle, and it gets even lower. in most cases, low oil pressure will only show at idle when the engine oil is warm. fluctuations in. Oil Pressure Warm Engine.